Полезные устройства с Алиэкспресс
Полезные приборы, устройства, готовые изделия и конструкторы АлиэкспрессОписание
1. Это набор для самостоятельной сборки.
2. Собран на сдвоенных светодиодах с зеленым и красным свечением
3. Светодиоды попеременно мигают и звучит музыка «с днем рождения тебя»
4. Питание устройства от источника постоянного тока от 3 до 12 вольт.
Внешний вид набора
Перечень компонентов
Схема устройства
Внешний вид устройства после сборки
Другие подобные наборы:
Назначение
Набор предназначен для самостоятельной сборки лазерной беспроводной системы передачи звука. Он может передавать односторонний аудиосигнал на расстояние до 50 метров и состоит из передатчика и приемника.
Параметры
1. Напряжение питания передатчика - 9 ÷ 12 В
2. Напряжение питания приемника - 5 ÷ 12 В
3. Вход аудио передатчика - разъем 3,5 мм (компьютер, мобильный телефон, MP3 и т. д.)
4. Дальность передачи - 20-50 метров (чем больше расстояние, тем связь более неустойчивая).
5. Выход приемника нагружен на динамик 0,5 Вт-10 Вт
6. Размер печатной платы передающего модуля - 2,0*2,6 см
7. Размер печатной платы приемного модуля - 2,2*4,0 см
Внешний вид набора
Схема передатчика (излучателя)
Схема приемника
Состав комплекта
Принцип работы
На вход передатчика через аудио разъем подается звуковой сигнал на усилительный каскад на транзисторе Q1 (8050). Усиленный сигнал подается на лазерный излучатель инфракрасного света, имеющий очень узкий пучок излучения, который модулируется звуковым сигналом.
На приемном конце модулированный инфракрасный сигнал подается на фотодиод инфракрасного диапазона D2 приемного тракта, усиливается усилителем на микросхеме LM386. На выходе усилителя включен динамик, который и воспроизводит звуковой сигнал.
Дальность передачи может достигать 50 метров прямой видимости луча излучателя и зависит от точности их юстировки (настройки друг на друга).
При использовании двух таких комплектов возможно получить двухстороннюю дуплексную связь, или найти другое применение, зависящее только от Вашей фантазии.
Набор элементов для сборки музыкальной игрушки
Наименование элементов схемы
Принципиальная схема
Описание:
1. Напряжение источника питания: ± 3 - 12V
2. Размер печатной платы: 13,5 х 2,2 см
Особенности:
Схема собрана на одной микросхеме NE555, представляющего собой генератор, а времязадающую цепочку создает конденсатор С1 и набор из соединенных определенным образом резисторов R2 – R9. В каждый момент времени, при нажатии на любую из клавиш создается цепочка из последовательно соединенных резисторов, определяющих частоту генератора, соответствующая определенной частоте.
Плата музыкальной игрушки в сборе
Набор для самостоятельной сборки темброблока для усилителя звука, при выборе опции «Not assembled»
Схема собрана на специализированной микросхеме LM1036 с электронной регулировкой громкости и уровня во ВЧ и НЧ частотам аудиосигнала, применяется как блок регулировок для стерео систем автомобильной аудиосистеме, а также в ТВ и домашних аудиоустройствах. Имеется переключатель тонкомпенсации.
Параметры блока
* Питание: переменное напряжение - 12-18, постоянное - 16-25 в;
* Диапазон регулировки громкости: 75 дБ;
* Диапазон регулировки тембра: ±15 дБ;
* Коэффициент разделения стерео каналов: до 75 дБ;
* Коэффициент нелинейных искажений: не более 0,06%
Типовая схема включения микросхемы LM1036
Расположение деталей на плате
Плата темброблока в собранном виде
На плате кроме рекомендуемых элементов по даташиту, установлен стабилизатор напряжения 7812 с выпрямителем на входе подключения питания устройства. Встроенный стабилизатор позволяет питать схему как от переменного, так и от постоянного напряжений и выдавать на микросхему стабилизированное напряжение 12 Вольт.
ПРИМЕЧАНИЕ:
Блок регулировки тембра устанавливается либо с подачей аудиосигнала на входе с последующим подключением на усилитель мощности (вариант 1), либо на вход темброблока добавляется предварительный усилитель (вариант 2).
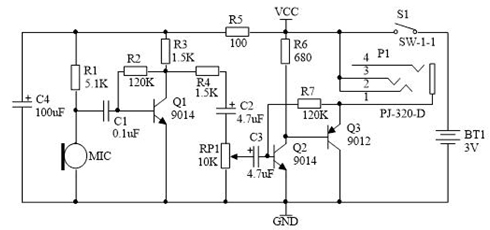
Набор для сборки слухового аппарата
Параметры
*Питание: батарея 3 В (CR2032 – в комплект не входит)
*Печатная плата : 50*30 мм
Схема слухового аппарата
Расположение деталей на плате
Схема состоит из 3-х каскадного усилителя на транзисторах. На плате установлен электретный микрофон, регулятор громкости и выключатель питания. На плате также установлено гнездо для наушников. Выключатель питания установлен для того, чтобы отключить питание устройства на время пассивного режима использования, что позволяет продлить срок службы встроенной батарейки.
Плата слухового аппарата в собранном виде































